专业的IC半导体授权代理方案商_深圳市至为芯科技有限公司
 
IP5365至为芯支持3路C口22.5W快充输出的移动电源方案芯片
来源:未知 时间:2025-10-09 17:27
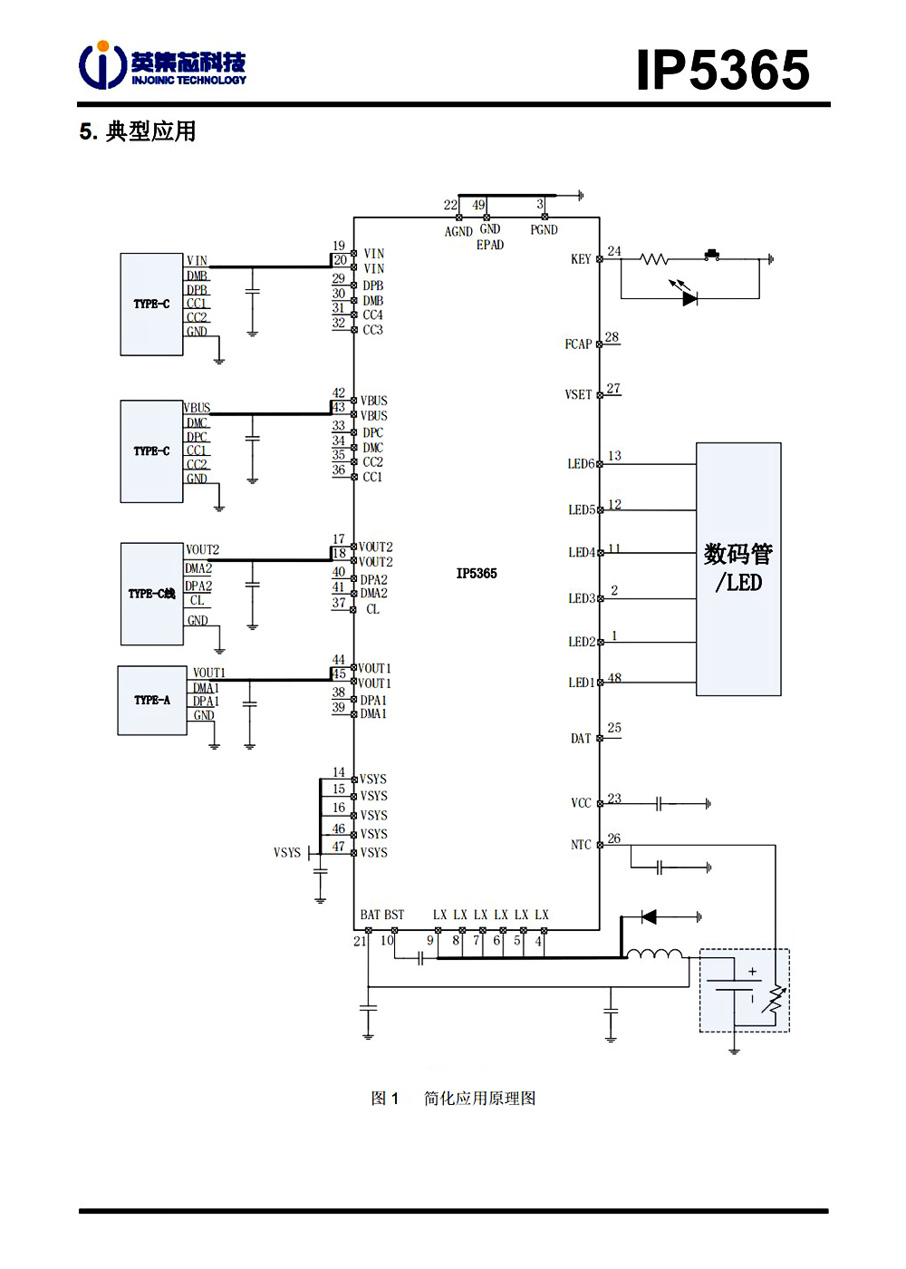
      英集芯IP5365是一款专为移动电源、充电宝等便携式电子设备设计的移动电源管理SOC芯片,集成了多种主流快充协议,包括QC3.0、PD3.0、UFCS等。同步开关升压系统支持最大22.5W放电功率,电池端充电电流最高可达5A。支持3路Type-C PD通道,任意接口均可实现快充功能。兼容USB-A接口,支持双向快充输入输出。支持1-4颗LED电量显示及88/188数码管显示,采用QFN48封装,极简BOM设计,仅需少量外围器件,降低成本并缩小方案尺寸。
      一、强大快充性能,告别电量焦虑
      英集芯IP5365集成了同步升降压转换器、锂电池充电管理及电量显示功能,支持最大22.5W的放电功率,电池端充电电流最高可达5A。这一性能飞跃,使得大容量电池也能在短时间内迅速恢复活力,满足现代生活的快节奏需求。无论是商务出行还是日常使用,IP5365都能确保您的设备始终处于最佳状态。
      二、全面协议支持,兼容各类设备
      IP5365全面兼容QC3.0、PD3.0、SCP及UFCS等多种主流快充协议,确保了广泛的设备兼容性。国内外的主流品牌,IP5365都能提供快速充电支持,让您的设备在短时间内迅速回血。这种全面的协议支持,无疑为用户带来了极大的便利和舒适体验。
      三、多接口设计,满足多样需求
      IP5365支持多达3路Type-C PD通道,同时兼容USB-A接口,轻松应对各种设备的充电需求。无论是手机、平板还是笔记本电脑,IP5365都能提供稳定、高效的充电体验。这种多接口设计,不仅提升了充电的灵活性,还使得用户无需担心设备不兼容或充电速度慢的问题。
      四、安全保障,全方位守护
      在安全性方面,IP5365同样表现出色。它内置了多重保护机制,包括输入过压、欠压保护,输出过流、过压、短路保护,以及电池过充、过放、过流保护等。此外,IP5365还支持外接NTC进行电池温度保护,进一步提升了充电过程中的安全性。这些保护措施共同构成了一道坚固的安全防线,确保设备在充电过程中不会受到任何损害。
      五、高度集成设计,降低成本提升性能
      IP5365采用高度集成的设计,将各个接口的VBUS开关管集成在芯片内部,大幅简化了外围电路,降低了生产成本。同时,这种设计也提升了芯片的性能表现,使得IP5365在功耗、发热等方面都表现出色。对于制造商而言,这意味着更加灵活、高效的设计方案;对于消费者而言,则意味着能够以更低的价格享受到高性能的快充体验。
      六、智能调节,节能省电
      IP5365具备智能负载识别功能,能够根据设备需求自动调整充电功率,避免能源浪费,实现绿色充电。这一功能不仅提升了充电效率,还符合现代社会对节能减排的倡导。无论是长时间充电还是短暂补电,IP5365都能确保充电过程的节能与高效。
      七、广泛应用,市场认可
      英集芯IP5365凭借其卓越的性能和创新设计,已经广泛应用于移动电源、充电宝、手机及平板电脑等便携式电子设备中。其出色的市场表现和用户口碑,进一步证明了IP5365在快充领域的领先地位。
      英集芯IP5365以其强大的快充性能、全面的协议支持、多接口设计、全方位的安全保障、高度集成的设计以及智能调节功能等优势,成为了快充领域的领军者。在未来的发展中,IP5365将继续引领快充技术的潮流,为用户带来更加高效、便捷、安全的充电体验。选择英集芯IP5365,就是选择了一个性能卓越、安全可靠、便捷高效的快充解决方案。
 

联系我们

  • 0755-29182747

  • 18126408985

  • 邮箱

    • 总 经 理 邮 箱:Titan@sz-dowell.com
    • 投 诉 监 督 邮 箱:marketing@sz-dowell.com

    在线客服

  •   胡先生
  • 微信二维码
    Copyright © 2026 深圳市至为芯科技有限公司 All rights reserved.  粤ICP备15084307号-1