专业的IC半导体授权代理方案商_深圳市至为芯科技有限公司
 
IP5316至为芯支持TYPE-C协议2.4A充放电的移动电源方案芯片
来源:未知 时间:2025-12-08 17:41
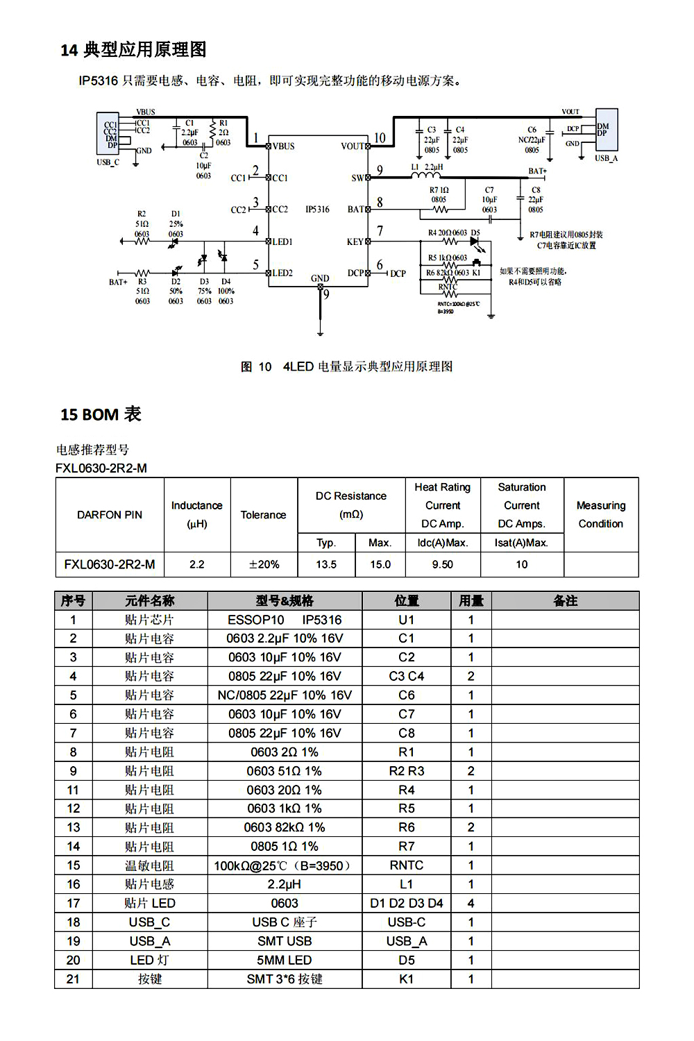
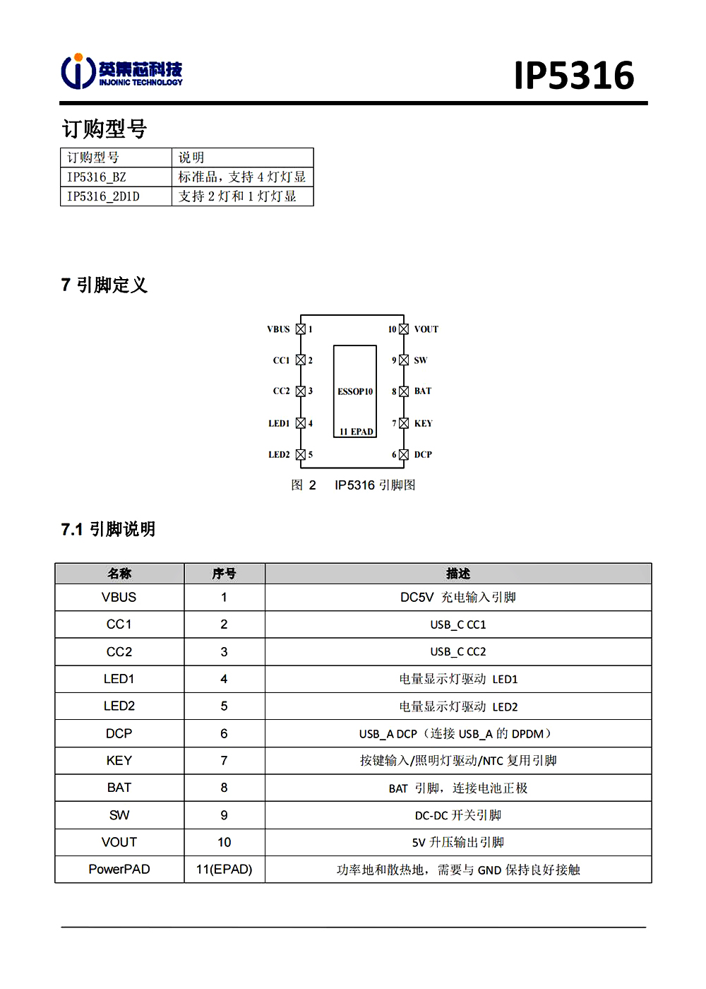
      英集芯IP5316是一款应用于移动电源、充电宝等便携设备的移动电源方案SOC芯片。支持最大2.4A同步开关充电,兼容多种锂电池电压(4.20V到4.40V)。内置同步升压转换器,支持最大2.4A输出电流,支持4/2/1颗LED电量显示。集成Type-C DRP协议,支持单口输入输出,兼容DCP协议。内置功率MOS管,仅需单电感即可实现充放电功能,大幅减少外围元器件数量,采用ESSOP10封装,体积小巧,便于PCB布局,节省空间。支持低成本电感和电容方案,进一步降低整体成本,适合大规模生产。
      一、核心功能:同步开关充放电,兼顾效率与安全
      英集芯IP5316采用同步开关充放电技术。在充电环节,它支持2.4A的同步开关充电,充电效率可达92%,并能够自动调节充电电流以适配不同电源输出能力,兼容4.20V、4.30V、4.35V、4.40V等多种锂电池电压,有助于充电过程保持高效与安全。这使得IP5316能适应不同规格的移动电源和适配器,为用户提供较为灵活的充电方案。
      在放电环节,IP5316内置同步升压转换器,支持2.4A输出电流,升压效率可达96%,可稳定输出5V电压,满足手机、平板电脑等常见设备的充电需求。其内置的电源路径管理功能支持边充边放,在移动电源自身充电的同时,也能为其他设备供电,提升了使用便捷性。
      二、低功耗设计:智能休眠,有助于延长电池使用
      英集芯IP5316在低功耗设计方面表现良好。轻载时,它会自动进入休眠状态,静态电流可降至100μA以下,有利于降低待机功耗,延长电池使用时间。此外,IP5316还支持智能识别负载并自动进入待机,当无负载时自动切换至低功耗模式,进一步控制能耗。搭载IP5316的移动电源在长时间不使用时,也能保持较低的电量损耗。
      三、较高集成度:简化设计,有助于控制成本
      英集芯IP5316具有较高的集成度。它内置功率MOS管,仅需单电感即可实现充放电功能,减少了外围元器件数量,从而有助于控制物料成本。同时,IP5316采用ESSOP10封装,体积较小,便于PCB布局,有利于节省空间。因此IP5316在移动电源、手机、平板电脑等便携式设备中得到了较多应用。
      四、多重保护机制:全面保障设备安全
      安全是电源管理芯片的重要考量之一。IP5316具备多重保护机制,包括输出过流、过压、短路保护,输入过压、过充、过流保护,以及整机过温保护和电池NTC温度检测功能。此外,它还支持电池高低温保护,ESD防护等级为4KV,输入引脚瞬态耐压为12V,有助于设备在复杂电磁环境下保持稳定运行。
      五、灵活性与扩展性:适应不同需求
      英集芯IP5316支持I2C接口,可灵活配置电池电量曲线及LED显示逻辑,适应不同产品需求。它支持4/2/1颗LED电量显示,方便用户了解电池剩余电量。同时,IP5316内置照明灯驱动,支持手电筒功能,可满足应急照明需要。此外,IP5316还兼容DCP等常见充电协议,适应不同设备的充电需求。
      六、应用场景:适用于多种便携设备
      英集芯IP5316的应用范围较广,不仅适用于移动电源,也可用于手机、平板电脑、蓝牙耳机、智能手表等便携设备。在车载环境中,它支持快速充电及边充边放功能,应对临时用电需求。其高效、低功耗、较高集成度的特点使IP5316成为便携设备电源管理的常见选择。
      七、市场反馈与用户评价
      英集芯IP5316推出以来,凭借其稳定的性能和可靠的质量获得了市场关注。不少移动电源厂商选用IP5316作为产品的控制芯片,以提升产品的续航表现与用户体验。用户反馈显示,搭载IP5316的移动电源在充电速度、电量显示准确性、安全性等方面表现良好,受到一定欢迎。
 

联系我们

  • 0755-29182747

  • 18126408985

  • 邮箱

    • 总 经 理 邮 箱:Titan@sz-dowell.com
    • 投 诉 监 督 邮 箱:marketing@sz-dowell.com

    在线客服

  •   胡先生
  • 微信二维码
    Copyright © 2026 深圳市至为芯科技有限公司 All rights reserved.  粤ICP备15084307号-1