专业的IC半导体授权代理方案商_深圳市至为芯科技有限公司
 
IP5385至为芯支持C口双向快充的30W到100W移动电源方案芯片
来源:未知 时间:2026-01-07 13:47
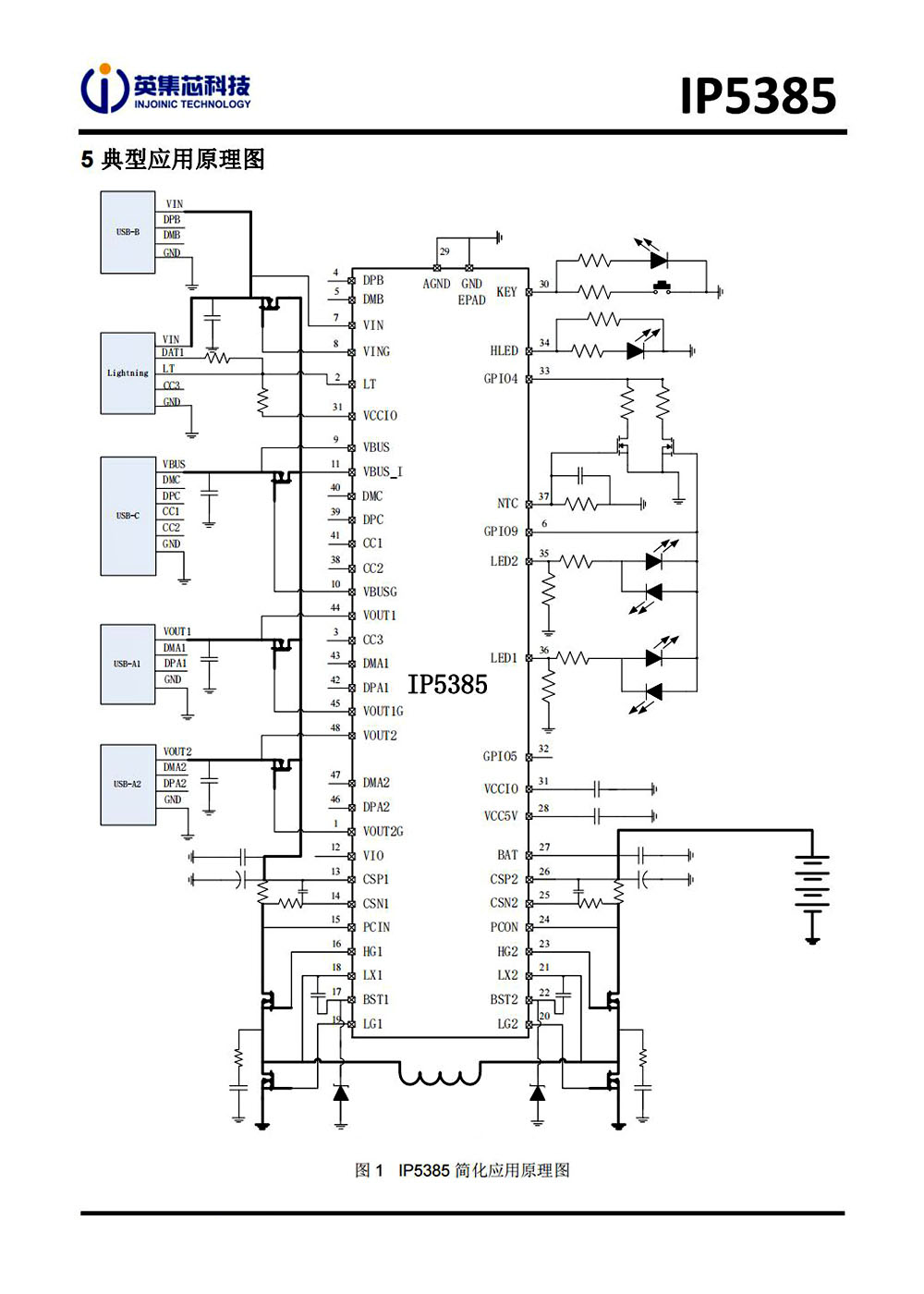
      英集芯IP5385是一个广泛用于移动电源,充电宝,户外应急电源等便携设备的移动电源管理SOC芯片,支持30W-100W双向充放电。兼容UFCS、PD3.0、QC、SCP、FCP、AFC等主流快充协议。实现跨品牌设备的快速充电。提供USB-A×2、双向USB-C×1,USB-B或Lightning等多种接口组合。任意接口均支持快充。采用QFN48封装,将快充协议控制器、同步升降压控制器、MCU、电量计量及LED/数码管显示驱动等功能集成于单一芯片中。仅需搭配电感、开关管及少量外围器件,即可实现完整的2-4串锂电池双向快充方案。
      一、技术特点:集成设计优化移动电源架构
      英集芯IP5385采用QFN48封装,集成了快充协议控制器、同步升降压控制器、MCU、电量计量模块及LED/数码管显示驱动五大功能模块。该设计有效简化了传统方案中“协议芯片+MCU+升降压控制器+外围电路”的复杂架构,仅需配合电感、开关管及少量外围器件,即可搭建完整的2-4串锂电池双向快充系统。
      主要优势:
      BOM成本得到优化:外围器件数量减少,有助于降低物料成本与PCB布局复杂度。
      开发周期缩短:支持通过外部电阻设定电池节数、电压、容量及最大功率,方便适配不同客户需求,减少固件修改。
      空间利用效率提高:芯片尺寸为6mm×6mm,有利于移动电源实现更紧凑的设计。
      二、性能表现:30W-100W双向快充与广泛协议兼容
      英集芯IP5385支持30W-100W宽范围双向充放电,效率可达96%,可满足手机、平板、笔记本等设备的快充需求。其同步开关升降压系统支持2-4节三元锂或磷酸铁锂电池串联应用,适配10000mAh-30000mAh容量范围。
 
      主要特性:
      广泛协议兼容:支持UFCS融合快充、PD3.0、QC4+/3.0、SCP/FCP、AFC、BC1.2等主流协议,兼容大部分主流品牌设备。
      多接口智能管理:提供2个USB-A口、1个双向USB-C口,并可选择配置Micro USB或Lightning输入接口。各接口均支持快充,多设备同时充电时可自动分配功率(例如双口输出时支持5V/3A)。
      智能电量管理:内置14-bit高精度ADC,电量计量精度较高,支持数码管/LED电量显示及电量校准功能。
      三、安全设计:多重保护机制提升可靠性
      针对快充场景的安全需求,IP5385提供了覆盖输入、输出、电池及芯片的多层次保护机制:
      输入保护:支持4.5V-13V宽电压输入,集成过压/欠压保护,有助于防止异常电压造成设备损坏。
      输出保护:具备过压/过流/短路保护功能,可动态调节输出参数以保障安全。
      电池保护:支持电池过充/过放/过流保护,并可外接NTC实时监测温度,有助于提升使用安全性。
      芯片保护:内置过热保护与ESD防护,数据引脚耐压为30V,可适应较复杂的电磁环境。
      四、应用场景:覆盖消费电子与工业设备
      英集芯IP5385的高集成度与宽功率特性,使其不仅适用于消费类移动电源,还可拓展至户外电源、应急启动电源、电动工具等领域:
      户外电源:支持太阳能板输入及大功率负载输出,适用于露营、救援等场景。
      工业设备:可为锂电钻、电锯等工具提供高倍率放电支持,内置电池保护功能有助于延长设备使用时间。
      其他便携设备:低空载功耗与精确电量管理,能满足便携式设备的相关要求。
      五、行业意义:促进快充技术规范化与生态发展
      英集芯IP5385作为一款通过UFCS认证的移动电源单芯片方案,其推出有助于促进快充协议的规范化进程。其广泛的协议兼容性使单一充电宝能为不同品牌设备提供良好的快充体验,提升使用便利性。
      英集芯通过IP5385的技术集成与功能优化,为移动电源开发提供了较为便利的解决方案。随着UFCS生态的持续发展,IP5385有望在移动电源领域得到更广泛的应用,助力快充技术向更高效率、更低功耗、更智能化的阶段推进。
 

联系我们

  • 0755-29182747

  • 18126408985

  • 邮箱

    • 总 经 理 邮 箱:Titan@sz-dowell.com
    • 投 诉 监 督 邮 箱:marketing@sz-dowell.com

    在线客服

  •   胡先生
  • 微信二维码
    Copyright © 2026 深圳市至为芯科技有限公司 All rights reserved.  粤ICP备15084307号-1