专业的IC半导体授权代理方案商_深圳市至为芯科技有限公司
 
PY32F003至为芯支持32位ARM内核的低成本MCU微控制器
来源:未知 时间:2026-03-23 14:38
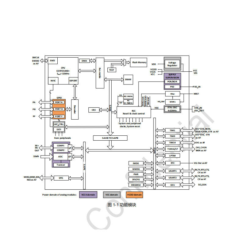
      普冉PY32F003是一款用于智能穿戴、遥控器、电子玩具、智能灯具等便携式设备的MCU微控制器。基于32位ARM Cortex-M0+内核,主频32MHz。内置64KB的Flash存储器和8KB的SRAM存储器。工作电压范围1.7V~5.5V,适应不同的电源环境。提供Sleep和Stop低功耗模式,降低功耗以满足低功耗应用需求。多达18个I/O口,均可作为外部中断。1路12位ADC,支持10个外部输入通道。输入电压转换范围0~VCC,提供准确的模拟信号采集。采用TSSOP20封装,封装尺寸小巧,适合手工焊接和PCB布局。
      一、强劲内核,兼顾性能与功耗
      普冉PY32F003采用32位ARM Cortex-M0+内核,具备良好的运算能力,能够在性能与功耗之间取得较好平衡。其工作频率可达32MHz,可满足多数嵌入式应用对处理能力的需求,无论是基础的数据采集与处理,还是较为复杂的控制算法,均能稳定运行。
      在功耗方面,PY32F003具备多种低功耗模式,如Sleep模式和Stop模式,可在系统空闲时自动切换至低功耗状态,以降低能耗,延长电池使用时间。这一特性在便携式设备如手持终端、智能传感器等应用中具有实际意义,有助于提升设备的使用便利性。
 
      二、充足存储,支持多种应用需求
      PY32F003内置64Kbytes的Flash存储器,可支持程序代码及数据的存储需求,便于开发者部署复杂算法、配置参数及采集数据。同时,8Kbytes的SRAM为数据的快速读写提供了支持,有助于提高系统运行效率。
      三、稳定时钟,保证系统时序
      时钟系统是微控制器正常运行的基础。PY32F003支持内部高精度HSI时钟,可选频率范围包括4/8/16/22.12/24MHz,用户可根据应用需求灵活选择。此外,内部LSI时钟(32.768KHz)适用于低功耗模式下的时间保持,同时支持外部4MHz至32MHz HSE时钟,以满足对时钟精度要求较高的应用场景。其时钟树结构清晰,便于开发者快速完成时钟配置。
 
      四、多样外设,提升系统扩展能力
      1、通讯接口:灵活连接外部设备
      PY32F003集成多路I2C、SPI、USART等通讯接口,支持多种通信协议。其中,USART接口通信速率可达3Mbps,可实现与外部设备的高效数据交换。在工业自动化等领域,该特性有助于微控制器与PLC、传感器等设备之间的快速数据传输,提升系统响应能力。
      2、模拟接口:支持信号采集
      该芯片配备1路12位ADC,支持10个外部输入通道,输入电压范围为0-VCC,可采集多种模拟信号,如温度、压力、光照等传感器输出,适用于环境监测等数据采集场景。
      3、定时器与计数器:准确时序控制
      PY32F003内置5个16位定时器,包括控制定时器、通用定时器、低功耗定时器及看门狗定时器,支持多种定时与计数模式。可用于电机转速控制、数据定时采集等场景,看门狗定时器可在系统异常时触发复位,提高系统运行的可靠性。
      4、其他特色功能
      此外,PY32F003还集成了硬件CRC-32校验模块,可用于数据完整性验证;配备2个比较器,支持模拟信号比较及中断触发;并提供唯一标识符(UID),便于设备识别与管理。
      5、紧凑封装,利于空间优化
      PY32F003采用TSSOP20封装,整体厚度较小,有助于节省PCB空间,适用于对尺寸有要求的应用,如智能穿戴设备、便携式医疗仪器等。
 
      五、广泛适用,满足多行业需求
      基于其性能与功能配置,PY32F003可广泛应用于多个领域。在控制器方面,可用于电机控制、温度控制等场景;在手持设备中,适用于便携式仪表、手持终端等;在PC外设方面,可用于键盘、鼠标、打印机等设备;在游戏及GPS平台中,可用于游戏手柄、GPS模块等;在工业领域,适用于传感器节点、数据采集系统等,具备一定的环境适应性。
 
      六、性价比良好,适配多样化开发需求
      普冉PY32F003在性能与成本之间具备较好的平衡,价格具有一定竞争力,有助于降低开发成本。其集成度较高,功能较为全面,可减少外设扩展需求,提升开发效率,适用于不同规模企业的嵌入式开发项目。
 
 

联系我们

  • 0755-29182747

  • 18126408985

  • 邮箱

    • 总 经 理 邮 箱:Titan@sz-dowell.com
    • 投 诉 监 督 邮 箱:marketing@sz-dowell.com

    在线客服

  •   胡先生
  • 微信二维码
    Copyright © 2026 深圳市至为芯科技有限公司 All rights reserved.  粤ICP备15084307号-1